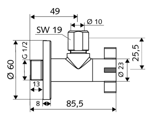
Llaves de escudra de diseño con regulación del caudal 4WING
Volumen de suministro
- Llave de escuadra de diseño
- Varilla pulsador
- Cuerpo de latón pulido
- Racor de compresión cónico de latón resistente a la tracción y con compensación de longitud
- Embellecedor pulsador ∅ 60 mm
Datos de suministro
- Peso: 0,22 kg/Unidad
- Unidades de embalaje: 1
Datos técnicos
- Material: Latón de acuerdo a la normativa de agua potable alemana, Funcionamiento Plástico
- Conexión: DN 15 G 1/2 RE
- Salida: Ø 10 mm (DN 10 G 3/8 RE)
- Certificados: P-IX 212/IA, ACS, WRAS solicitado
- Clase de ruido: I
- Clase de caudal: A
Con maneta COMFORT. Según DIN 3227.
Con maneta COMFORT. Según DIN 3227.
Con maneta COMFORT. Para la protección de griferías de alta gama, p. ej.,...
Con maneta COMFORT. Para la protección de griferías de alta gama, p. ej.,...























![[Translate to Spanish:] [Translate to Spanish:]](/fileadmin/user_upload/images/menu/menu_service_downloads_broschueren.jpg)







![[Translate to Spanish:] [Translate to Spanish:]](/fileadmin/_processed_/7/7/csm_menu_unternehmen_ueber-schell_awards_f6cec25b1d.jpg)
![[Translate to Spanish:] [Translate to Spanish:]](/fileadmin/_processed_/a/0/csm_menu_unternehmen_ueber-schell_wasser-sparen_41036d2dd9.jpg)



